Installation & Service Instructions

  • Before installation, always turn shaft a few times in the direction it is to be operated (Pump is reversible and can be mounted at any angle).
  • Always mount the pump as near as possible to the liquid being pumped and ensure that suction pipe and fittings are air tight. The impeller depends on the liquids being pumped to provide lubrication and therefore it is essential to never run the pump dry longer than the time taken to prime the pump.
    DO NOT RUN DRY FOR MORE THAN 20 SECONDS.
  • For best results do not run the pump at a higher speed than necessary, keeping within the range of 500 to 2000 rpm.
  • For increased impeller life, pressures should be kept below 1.5 bar.
  • The impeller is heat resistant and designed to run between 40°F and 180°F. In conditions where freezing takes place, care must be taken to drain the pump after use by loosening the cover plate.
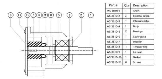
WS3810 - Repair Instructions
WS3810 - Repair Instructions